96 accord no windows, a/c, fans
1996 honda accord ex 2.2 vtec at 240,000 miles. Pretty much all went out at the same time, power windows, door locks, mirrors, a/c, cooling fan, condensor fan. Replaced with pull a part junkyard parts the following: ecu/pcm, window control unit, door lock unit, integrated computer, radiator fan timer, window relay, radator fan relay, condensor fan relay, compressor clutch relay, radiator cooling fan, coolant temp. sensors a & b. No fuses are blown and refrigerant is at correct level. Need help figuring this one out. Thanks.
Have you confirmed that battery power is available to circuits?
If not, that many dead circuits suggests a damaged bus where power is distributed to circuits. Also a bad battery, damaged battery wire (pos or neg), loose battery connection are also possible.
good luck
If not, that many dead circuits suggests a damaged bus where power is distributed to circuits. Also a bad battery, damaged battery wire (pos or neg), loose battery connection are also possible.
good luck
agreed. you have a nice big cut in power somewheres. My suggestions would be the same. Thats alot of things to cut out at once, sounds like a wire finally got cut thru or something.
If the battery can turn the starter, then that battery will run all those components.
Does the car start?
You really need to get a volt meter and start testing some wires for voltage. I would start by testing for 12V on the red wire from the battery where it attaches to the engine bay fuse box.
Then test the big fuses next. This sounds more like your problem. If you blew a big fuse, then you have a big short in the system. Have you done any work recently on the car?
Does the car start?
You really need to get a volt meter and start testing some wires for voltage. I would start by testing for 12V on the red wire from the battery where it attaches to the engine bay fuse box.
Then test the big fuses next. This sounds more like your problem. If you blew a big fuse, then you have a big short in the system. Have you done any work recently on the car?
Car starts and runs fine. There are no blown fuses. I have changed all the relays assocated with the problem areas also. I have a multimeter. Initially did some testing and found that there was voltage at the relay connectors and at the fuse box. Voltage at the power window switch. Need to start over with the testing. Any suggestions are appreciated
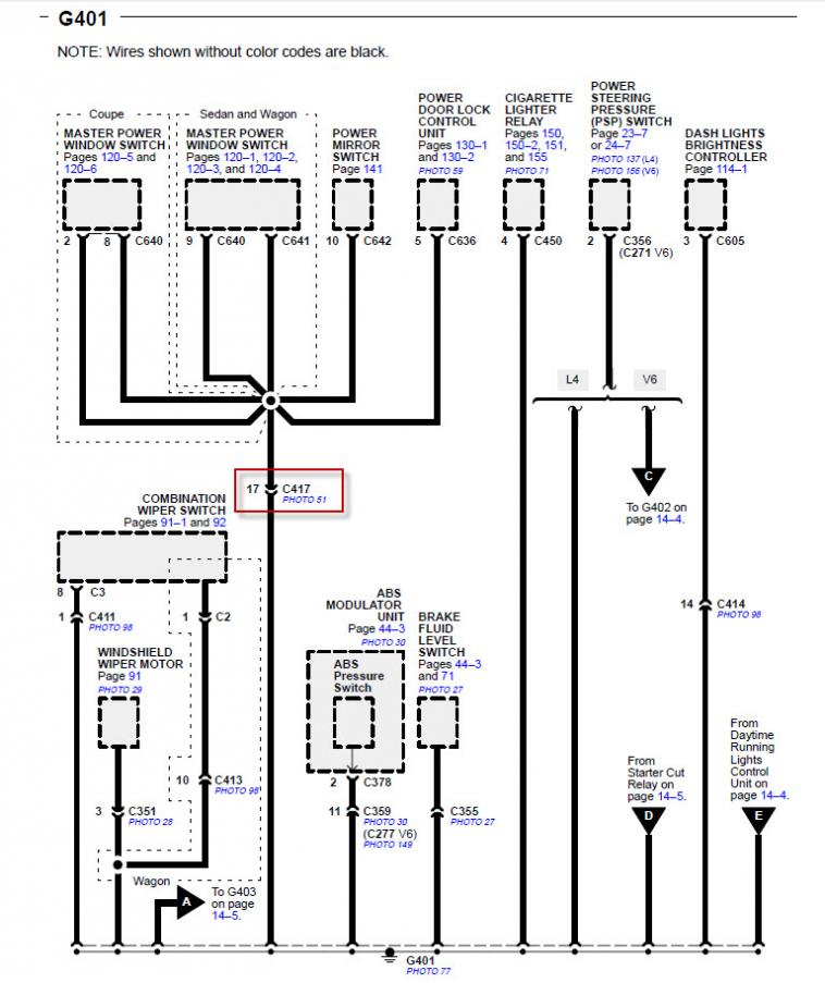
The problem for the power mirror, power door lock, and power window sounds like the problem is at the black wire (ground) coming from ground location G401 which eventually leads to the Power Mirror Switch, Master Power Window Switch and the Power Door Lock Control Unit. The issue may be located at or near the C417 connector located in the driver's door jamb. Check the black ground wire going through that part of the driver's door jamb and C417 connector. See pictures links from one of my other posts.
https://www.hondaaccordforum.com/for...-g401-c417-jpg
https://www.hondaaccordforum.com/for...-connector-jpg
https://www.hondaaccordforum.com/for...-g401-c417-jpg
https://www.hondaaccordforum.com/for...-connector-jpg
For the A/C and fans, with a voltmeter, first check there is power on both side of each fuses. Under-hood fuse box, No. 38 fuse (20A), No. 34 (15A), and No. 21 (20A). Under-dash fuse box, No. 8 fuse (7.5A).


