Help please, what is this?
I have a 96 accord lx, with a f22b1 with about 110 thousand miles I noticed a slight oil leak and here is a pic of what is leaking, this thing with red wire, and not sure if oil pressure swith or what?
Last edited by Hartman1162; Jun 24, 2013 at 05:23 PM.
That's some kind of aftermarket sender. Got any non-stock gauges in the cluster? It looks like it's located where the VTEC oil-pressure switch SHOULD be, so that's a bit more confusing to me. This would not be the place to put an oil-pressure sender for a gauge.
I think the port for the VTEC oil-pressure switch has a straight-thread & the switch uses an O-ring to seal. Most aftermarket senders & switches have a 1/8"NPT tapered thread, so it might be a mis-matched thread fitting.
I think the port for the VTEC oil-pressure switch has a straight-thread & the switch uses an O-ring to seal. Most aftermarket senders & switches have a 1/8"NPT tapered thread, so it might be a mis-matched thread fitting.
There was when I got the car over a year ago I took it off cause it wasn't working, so should I buy the vtec pressure switch at advanced I was going to get one but it didn't look like that, and is there any wires to the original?
And does this one affect my vtec engaging ?
And does this one affect my vtec engaging ?
I gotta backpedal a bit here... I didn't recognize F22B1 being a VTEC engine in an Accord LX which would originally had a non-VTEC engine.
The LX didn't have a VTEC engine. So the engine has been swapped with an EX???
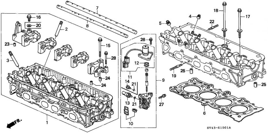
I also saw from the parts drawings that there was no VTEC oil-pressure switch for that year. There was just a plug in that hole.
The previous owner would have to swap the engine computer along with swapping the engine. The wire for the VTEC is visible above that sender, it's green with yellow stripe.
The LX didn't have a VTEC engine. So the engine has been swapped with an EX???
I also saw from the parts drawings that there was no VTEC oil-pressure switch for that year. There was just a plug in that hole.
The previous owner would have to swap the engine computer along with swapping the engine. The wire for the VTEC is visible above that sender, it's green with yellow stripe.
You said F22B1, but it didn't dawn on me that that wasn't the stock engine type for LX.
First digit of the block serial # indicates the year. First year that the F22B1 was available, the first digit is 1. 2 for the second year, etc. But I'm not sure what year it first became available...
First digit of the block serial # indicates the year. First year that the F22B1 was available, the first digit is 1. 2 for the second year, etc. But I'm not sure what year it first became available...
The factory plug is #14 with an O-ring #21. They probably are not too expensive at a dealer.
I'm not sure which years use the oil-pressure switch #13, but your ECU apparently isn't looking for the switch.
I'm not sure which years use the oil-pressure switch #13, but your ECU apparently isn't looking for the switch.


