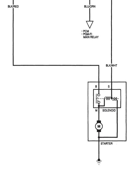
starter selenoid wires 2000 accord v6
My teenage son pulled the wires off the starter before removing it and now we don't know which wire goes where. Without looking at it I think there are 2 posts on the selenoid, one short wire coming off the starter which goes on one of the posts and the positive battery cable which goes on the other post. Does it matter which wire goes on which post?
Thread
Thread Starter
Forum
Replies
Last Post
b|@ck-0n-b|@ck
Audio/Visual Electronics
3
Aug 14, 2010 08:48 AM
Calevra18
General Tech Help
2
Sep 16, 2007 10:45 PM




