Steering wheel audio control not working, but steering changes the station...
The steering wheel audio controls on my 2003 ex stopped working a while back, but since it's primarily used as a commuter car, I didn't really care. But now, whenever I turn the wheel to the left or the right, the radio will do one of the following randomly: decrease the volume to zero, change radio stations or change from fm1 to fm2 to am. I removed the audio control from the steering wheel, thinking it might be a stuck button or switch, but even with the controls removed, steering left or right causes the same issues.
I suspect that it might be a bad cable reel. The horn and cruise control still work. However, the srs light does stay on. Is it possible that the radio portion of the cable reel is bad but the airbag, horn and cruise control circuits are still in tact?
Another solution I was wondering about...is it possible to disconnect the audio control from the radio wiring harness?
At the end of the day, I'm not concerned about having the use of the steering wheel audio controls, but I would like to listen to the radio without having to adjust it every time I take a turn.
Thank you in advance for your time and assistance.
I suspect that it might be a bad cable reel. The horn and cruise control still work. However, the srs light does stay on. Is it possible that the radio portion of the cable reel is bad but the airbag, horn and cruise control circuits are still in tact?
Another solution I was wondering about...is it possible to disconnect the audio control from the radio wiring harness?
At the end of the day, I'm not concerned about having the use of the steering wheel audio controls, but I would like to listen to the radio without having to adjust it every time I take a turn.
Thank you in advance for your time and assistance.
Last edited by amajakgar; Jan 26, 2014 at 10:40 PM. Reason: forgot signature
Sounds like some wiring from the connectors to the cable reel are shorting (e.g., touching). Since the SRS stays on, that would be the bigger concern, as it may be due to wiring for the steering wheel airbag shorting with the radio remote wiring.
It is possible to disconnect the remote wiring at the radio (the Grn/Red wire at pin 3 and the Brn wire at pin 11 of Connector A (a blue 20P connector) at the audio unit are for the radio remote switch).
However, for safety sake due to the possibility of the SRS wiring shorting, I would be looking at the wiring at the cable reel connectors; which will probably also resolve the remote wiring issue.
It is possible to disconnect the remote wiring at the radio (the Grn/Red wire at pin 3 and the Brn wire at pin 11 of Connector A (a blue 20P connector) at the audio unit are for the radio remote switch).
However, for safety sake due to the possibility of the SRS wiring shorting, I would be looking at the wiring at the cable reel connectors; which will probably also resolve the remote wiring issue.
Thanks for the quick reply.
As for the SRS light, I just remembered that I have an issue with the seat belt retractor and I seem to remember that I can make the light go out if I put on my seatbelt prior to starting the car.
Replacing the cable reel seems like the best option. Would you happen to know a reputable place (other than the stealership) where I can pick up one? Also, is there a sticky on this forum with instructions or can you recommend a decent manual?
As for the SRS light, I just remembered that I have an issue with the seat belt retractor and I seem to remember that I can make the light go out if I put on my seatbelt prior to starting the car.
Replacing the cable reel seems like the best option. Would you happen to know a reputable place (other than the stealership) where I can pick up one? Also, is there a sticky on this forum with instructions or can you recommend a decent manual?
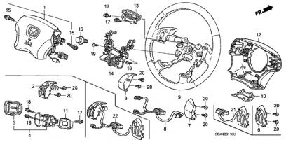
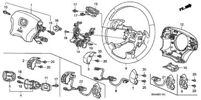
You may not even have to replace the cable reel depending on what the problem is. If it is only the cable reel sub-harness related to the radio remote switch and cruise control, that part (#8 in diagram) list for $5.73 and you can order it from your local dealership. If it is also related to the airbag wiring, then the cable reel list for $125.47 (the cable reel is not shown in this diagram. I would stick with OEM new parts for SRS related items. It is cheaper via online Honda dealers; but, there is shipping costs. If it is only the cable reel sub-harness, it will probably be cheaper through the local dealership. You can always scan/check for SRS trouble code(s). Keep in mind that only certain scanner can read/scan Honda SRS trouble codes.

Due to the airbag, the negative battery cable should be disconnected for at least 3 minutes before performing any work on it.
The best manual is the factory service manual. Legit source would be dealership or Helms. Other source (not sure of copyright legality) would be like automanualsource.

Due to the airbag, the negative battery cable should be disconnected for at least 3 minutes before performing any work on it.
The best manual is the factory service manual. Legit source would be dealership or Helms. Other source (not sure of copyright legality) would be like automanualsource.
I don't know if Autozone's scanner/reader is capable of reading Honda ABS/SRS trouble codes.
Personally, I like having my own scanner that I can carry in my car. Some are only code readers and cannot scan live data, etc.
Personally, I like having my own scanner that I can carry in my car. Some are only code readers and cannot scan live data, etc.
I replaced the sub-harness and no joy! I guess I will bite the bullet and replace the cable reel. DOH!
I know it's been 5 months since my last post (had disk replacement surgery in my neck), but I finally replaced the cable reel yesterday and it was definitely the problem (see attached pic).
Thanks again for all your help.
Thanks again for all your help.


