1994 Accord A/C quit. System is charged, suspect A/C clutch
1994 Accord, 260k miles.
Was driving home from chuch Sunday and stopped to run in the local grocery, leaving the wife in the running car.
When I came out I noticed the vents blowing warm air and figured it would cool off when we got moving, but the air stayed warm.
It blew ice cold on the way to church, so thought it a bit strange. Hooked up my gauges and pressures are within the “ok” range.
So nosed around a bit here and pulled the two relays on the top right of the rad. Both seem to be working fine (I swapped them and the fan works with either relay)
Took a test light and the wire going to the compressor is hot when the A/C switch is on, and the clutch is not turning.
What next? Do I assume the clutch is bad or is it possible my compressor pooped the bed?
Unfortunately I don’t have an FSM, only a Chiltons, which is worthless for AC issues.
Thanks for any help.
Was driving home from chuch Sunday and stopped to run in the local grocery, leaving the wife in the running car.
When I came out I noticed the vents blowing warm air and figured it would cool off when we got moving, but the air stayed warm.
It blew ice cold on the way to church, so thought it a bit strange. Hooked up my gauges and pressures are within the “ok” range.
So nosed around a bit here and pulled the two relays on the top right of the rad. Both seem to be working fine (I swapped them and the fan works with either relay)
Took a test light and the wire going to the compressor is hot when the A/C switch is on, and the clutch is not turning.
What next? Do I assume the clutch is bad or is it possible my compressor pooped the bed?
Unfortunately I don’t have an FSM, only a Chiltons, which is worthless for AC issues.
Thanks for any help.
You need to access the compressor and inspect. Turn compressor clutch face by hand to confirm compressor rotation and ability to compress (slight resistance during rotation). Check that clutch idler bearing is smooth turning.
You can confirm clutch gap problem by bumping the clutch face w/ a long screwdriver or pry bar w/ AC commanded On. If bump cause clutch to engage and AC to run, clutch gap is excessive. Very careful handling required to avoid dangerous activity.
If all good, then remove clutch face (need air impact or electric impact to remove 10mm nut), remove a shim to get compressor clutch gap to spec. (20 mils +/- 6 mils). Access may be possible through wheel well but can be done by removing alternator and PS for access from above.
good luck
You can confirm clutch gap problem by bumping the clutch face w/ a long screwdriver or pry bar w/ AC commanded On. If bump cause clutch to engage and AC to run, clutch gap is excessive. Very careful handling required to avoid dangerous activity.
If all good, then remove clutch face (need air impact or electric impact to remove 10mm nut), remove a shim to get compressor clutch gap to spec. (20 mils +/- 6 mils). Access may be possible through wheel well but can be done by removing alternator and PS for access from above.
good luck
Thanks for the advice Texas.
I guess to turn over the compressor I'll have to unbolt it? I can't even get my hand down between the clutch and fenderwell.
I did unplug the pressure switch under the battery. When I did the fan stopped running. I ran a jumper, fan came back on again, still nothing from the compressor.
There is some rubbery looking stuff all over the clutch. Almost looks like a seal came apart and got chewed up.
Since I have power to the clutch and it's still not engaged is it safe to assume that either the clutch or the compressor will need to be replaced?
Once I start taking stuff apart I'll have to drive my old Jeep 30 miles each way to work until I get the Accord back together. I'd really like to have parts on hand before I tear into it, but I know sometimes that's not feasible.
If it is just the clutch, and not the compressor, am I correct that the clutch can be replaced without voiding the system?
I guess to turn over the compressor I'll have to unbolt it? I can't even get my hand down between the clutch and fenderwell.
I did unplug the pressure switch under the battery. When I did the fan stopped running. I ran a jumper, fan came back on again, still nothing from the compressor.
There is some rubbery looking stuff all over the clutch. Almost looks like a seal came apart and got chewed up.
Since I have power to the clutch and it's still not engaged is it safe to assume that either the clutch or the compressor will need to be replaced?
Once I start taking stuff apart I'll have to drive my old Jeep 30 miles each way to work until I get the Accord back together. I'd really like to have parts on hand before I tear into it, but I know sometimes that's not feasible.
If it is just the clutch, and not the compressor, am I correct that the clutch can be replaced without voiding the system?
I guess I could order this, and if ends up just being the clutch, take it off the new compressor and put it on my existing compressor?
https://www.ebay.com/itm/A-C-Compres...gAAOSw~vpZ-fDx
https://www.ebay.com/itm/A-C-Compres...gAAOSw~vpZ-fDx
You can put a boxed end 10 or 12mm wrench on the bolt holding in the clutch. Try turning the compressor using the wrench.
I mentioned this in the other thread you posted, but you need to verify the compressor is getting power before assuming the compressor clutch is bad. The connector for the compressor is on the cooling fan housing, so access isn't too bad for this test.
I mentioned this in the other thread you posted, but you need to verify the compressor is getting power before assuming the compressor clutch is bad. The connector for the compressor is on the cooling fan housing, so access isn't too bad for this test.
I probed the power wire going to the clutch with a test flight. With the system on I have power at the clutch.
The terminals at the compressor relay up on the fan shroud also all looked OK based on what I found on another thread as far as troubleshooting that.
I’ll try to put a box in on it today and see if I can move it. I love Hondas but they are a PITA to work on if you don’t have tiny hands
The terminals at the compressor relay up on the fan shroud also all looked OK based on what I found on another thread as far as troubleshooting that.
I’ll try to put a box in on it today and see if I can move it. I love Hondas but they are a PITA to work on if you don’t have tiny hands
I finally broke down and pulled the compressor up where I can look at it. It wasn’t seized, and the clutch looked horrible.
Since it turns over ok is it safe to think it’s the clutch?
I also noticed that there are two different compressors listed for a 1994. How can I tell which one I have?
Last edited by jeepwm69; Jun 7, 2018 at 08:10 PM.
Something looks misaligned in your first picture. Is it the clutch or the pulley that is not aligned?
I'd pull the pulley and check that the bearing is ok.
What is ground up in the second picture? Is that the coil?
I'd pull the pulley and check that the bearing is ok.
What is ground up in the second picture? Is that the coil?
I’m not sure. First time I’ve mrssed with a compressor.
The bearing actually turns over very smoothly and doesn’t have any play. I was surprised at that after seeing whatever is eaten up just outside of the bearing.
The bearing actually turns over very smoothly and doesn’t have any play. I was surprised at that after seeing whatever is eaten up just outside of the bearing.
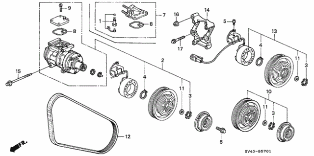
The clutch & pulley looks like the Denso compressor.
The way to tell is go someplace like Majestic (on-line Honda parts) and use your own VIN or at least more information than you provided here.
I found 1994 Accord sedan LX automatic-trans showed the Denso compressor.
1994 Accord coupe EX manual-trans showed the Hadsys compressor. I'm too lazy to try every potential combination of "1994 Accord"...
Anyway, picture of the Denso compressor parts...
It looks like the coil is hidden behind the pulley, so that burned up crud might be the bearing seal or something? Maybe it's the friction material that's needed for the clutch to engage??
The way to tell is go someplace like Majestic (on-line Honda parts) and use your own VIN or at least more information than you provided here.
I found 1994 Accord sedan LX automatic-trans showed the Denso compressor.
1994 Accord coupe EX manual-trans showed the Hadsys compressor. I'm too lazy to try every potential combination of "1994 Accord"...
Anyway, picture of the Denso compressor parts...
It looks like the coil is hidden behind the pulley, so that burned up crud might be the bearing seal or something? Maybe it's the friction material that's needed for the clutch to engage??


