2003 Accord 3.0L V6 Intermittent Starter No-Crank
Fully charged battery reading 12.7V when engine not running
Brand new (1 week old) battery terminal connectors
The problem with the no-crank issue is extremely intermittent and random. Sometimes I can start the car on every attempt for days without experiencing a no-crank issue. Then, it will happen every time for a day or so but eventually, I'm able to engage the starter and the car will start with no issues whatsoever.
When it won't crank, I can hear the relay engage - at least I think it's the relay. Not sure how the solenoid on these starters work. Maybe what I'm actually hearing is the solenoid engaging?
Anyway, since I'm not familiar with the common issues of these particular starters, I wanted to ask if it would be wise to replace the solenoid or the entire starter bundle. It's obviously not going to get better on its own and the no-crank issue is becoming a real annoyance - especially for the wife.
Suggestions?
Brand new (1 week old) battery terminal connectors
The problem with the no-crank issue is extremely intermittent and random. Sometimes I can start the car on every attempt for days without experiencing a no-crank issue. Then, it will happen every time for a day or so but eventually, I'm able to engage the starter and the car will start with no issues whatsoever.
When it won't crank, I can hear the relay engage - at least I think it's the relay. Not sure how the solenoid on these starters work. Maybe what I'm actually hearing is the solenoid engaging?
Anyway, since I'm not familiar with the common issues of these particular starters, I wanted to ask if it would be wise to replace the solenoid or the entire starter bundle. It's obviously not going to get better on its own and the no-crank issue is becoming a real annoyance - especially for the wife.
Suggestions?
New battery terminal connectors? How about the other end of each battery cable? I've even heard of battery cables corroding & coming apart somewhere inside their plastic insulation. Have you ruled out that stuff?
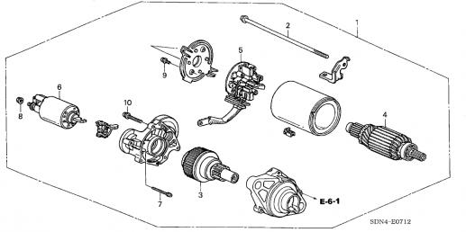
For the starter itself, I didn't have a V6 so I hope someone else chimes in about that. Parts drawing shows the brush-plate assembly is available also.
When it doesn't start, you hear a relay. Is it a light click, like an electrical relay? Or a heavier clunk like the starter-pinion-gear sticking out to engage the flywheel? Pinpoint the location of the sound?
For the starter itself, I didn't have a V6 so I hope someone else chimes in about that. Parts drawing shows the brush-plate assembly is available also.
When it doesn't start, you hear a relay. Is it a light click, like an electrical relay? Or a heavier clunk like the starter-pinion-gear sticking out to engage the flywheel? Pinpoint the location of the sound?
Hey Jim,
Thanks for the reply! I checked the opposite ends of the battery cables when I replaced the terminal connectors in case I needed to replace them as well. They were good.
It's definitely louder than the sound of a relay so I'm pretty sure it's the pinion gear being activated. It's like the gear is being thrust outward but fails to rotate and THAT failure is what I need to determine the cause of. The only thing I've ruled out at this point is that beating on it has no affect - DAMN! All my life, that was the one constant when it came to starters that were intermittent like that. But, as luck would have it, that tried and true procedure is useless. LOL!!
Going to have the wife participate in the troubleshooting today by turning the key so I can be under the hood and ascertain more info as to exactly where the "click" is coming from as well as playing touchy-feely wo I can see and feel what's engaging and what's not. I'll report back later today.
Thanks for the reply! I checked the opposite ends of the battery cables when I replaced the terminal connectors in case I needed to replace them as well. They were good.
It's definitely louder than the sound of a relay so I'm pretty sure it's the pinion gear being activated. It's like the gear is being thrust outward but fails to rotate and THAT failure is what I need to determine the cause of. The only thing I've ruled out at this point is that beating on it has no affect - DAMN! All my life, that was the one constant when it came to starters that were intermittent like that. But, as luck would have it, that tried and true procedure is useless. LOL!!
Going to have the wife participate in the troubleshooting today by turning the key so I can be under the hood and ascertain more info as to exactly where the "click" is coming from as well as playing touchy-feely wo I can see and feel what's engaging and what's not. I'll report back later today.
OK, so that sounds like the pinion is thrown out by that big solenoid. But the starter motor doesn't begin running. The solenoid that throws out the pinion also switches the motor on.
You could try replacing the brush-plate assembly, but if it still doesn't run then maybe the solenoid isn't closing the circuit to the motor. I'd think about replacing the whole starter.
The caveman test for starters (hitting it with a stick) is really a one-sided test. If it makes the starter run, then it's certainly a bad starter. But if it DOESN'T make it run, that doesn't prove the starter is good.
You could try replacing the brush-plate assembly, but if it still doesn't run then maybe the solenoid isn't closing the circuit to the motor. I'd think about replacing the whole starter.
The caveman test for starters (hitting it with a stick) is really a one-sided test. If it makes the starter run, then it's certainly a bad starter. But if it DOESN'T make it run, that doesn't prove the starter is good.

The part I'm fuzzy about is what is supposed to be happening inside the starter (aside from the obvious... starter begins turning the flywheel). Can I follow a volt path to see where it is failing or is it the situation that if the pinion gear is thrown that's the end of the circuit and mechanical motion takes over from there? If it's the latter, then it's pretty safe to assume that the starter is not engaging when it's supposed to.
Man, I really don't want to throw another $100 at this thing but a starter is one of those "gotta have's" especially since it's an automatic. Any resources for a new one with better prices than RockAuto or AtoZParts?
Just as I was heading out to the garage to hop in the car and pick up a remote starter from Auto zone, the wife gets called in to work a partial shift (she's a nurse and they're terribly short on RN's these days...)
Sooooo, I'll have to wait till she gets back early this afternoon to do any more troubleshooting.
Thanks for your help! It's appreciated.
Steve
Your symtoms are consistent w/ worn copper contacts in the starter solenoid. "They wear to the point that current to drive the starter won't pass through contacts.
A rebuilt or new starter is typical fix.
good luck
A rebuilt or new starter is typical fix.
good luck
The solenoid (on the starter) is #6. It's got 2 jobs.
1. Throw the pinion gear out towards the flywheel, by pulling on that little linkage without it's own number.
2. Close a high-current circuit over to the brush-plate (#5). Notice there's a big electrical connection bolted onto the outside of the solenoid.
How good are you at electrical stuff? What I'm going to describe is testing a circuit with the capacity to deliver large current (100+ amps). That's enough to do A LOT of damage if you short it accidentally.
First you can test whether that bolted connection is getting +12v when trying to start. Set your meter to DC-volts. Have someone hold the key in the START position. Measure that bolted connection's voltage to ground. It should get battery-voltage. If not, then the solenoid isn't doing it's job #2.
You can also get the motor to run by itself. Make a jumper with a momentary-contact switch, from that bolted connection over to the (+) battery post. Press the switch (turn it on) & see if the motor runs. Only for a second or so... (it will not engage the flywheel so the motor will spin too fast for it's own health) If the motor doesn't run, then probably the brush-plate is bad.
Just because this drawing shows part numbers, that doesn't mean you'll actually be able to find the parts separately. That's why most people replace the whole starter.
1. Throw the pinion gear out towards the flywheel, by pulling on that little linkage without it's own number.
2. Close a high-current circuit over to the brush-plate (#5). Notice there's a big electrical connection bolted onto the outside of the solenoid.
How good are you at electrical stuff? What I'm going to describe is testing a circuit with the capacity to deliver large current (100+ amps). That's enough to do A LOT of damage if you short it accidentally.
First you can test whether that bolted connection is getting +12v when trying to start. Set your meter to DC-volts. Have someone hold the key in the START position. Measure that bolted connection's voltage to ground. It should get battery-voltage. If not, then the solenoid isn't doing it's job #2.
You can also get the motor to run by itself. Make a jumper with a momentary-contact switch, from that bolted connection over to the (+) battery post. Press the switch (turn it on) & see if the motor runs. Only for a second or so... (it will not engage the flywheel so the motor will spin too fast for it's own health) If the motor doesn't run, then probably the brush-plate is bad.
Just because this drawing shows part numbers, that doesn't mean you'll actually be able to find the parts separately. That's why most people replace the whole starter.
Last edited by JimBlake; May 6, 2014 at 05:33 PM.
Well, after many attempts, the car will not present the no-crank issue when I'm under the hood. Grrrr......
I tried using the remote starter attached to the big terminal on the solenoid/+battery terminal to no avail. I'm positive I had the clamps attached well but I couldn't get it to turn the motor.
My neighbor, a guy who is far more seasoned and knowledgeable than I when it comes to the nuances and workings of the internal combustion engine, assessed the situation and had the same verdict as did all of you: replace it.
Sooooo.... that's what I'm going to do. Will report back when I have swapped it out and it is starting flawlessly every time just to verify that was the problem and to close this thread. Thank you for your help and support.
Steve
I tried using the remote starter attached to the big terminal on the solenoid/+battery terminal to no avail. I'm positive I had the clamps attached well but I couldn't get it to turn the motor.
My neighbor, a guy who is far more seasoned and knowledgeable than I when it comes to the nuances and workings of the internal combustion engine, assessed the situation and had the same verdict as did all of you: replace it.
Sooooo.... that's what I'm going to do. Will report back when I have swapped it out and it is starting flawlessly every time just to verify that was the problem and to close this thread. Thank you for your help and support.
Steve
Thread
Thread Starter
Forum
Replies
Last Post
mattcadieux1
General Tech Help
6
May 8, 2013 08:45 PM
SlyBlackDragon
General Tech Help
11
Jan 6, 2012 10:13 PM
Djangoo
General Tech Help
1
Mar 23, 2011 07:11 PM




