86 honda accord oil leak
ok sorry for the lag i appreciate your help with this but im thinking i might have a diff problem to take care of first my transmission has been acting up lately and i noticed that when i turn over the engine and change through gears there is ALOT of movement with the motor it kinda tries to roll forward im wondering if maybe it is a mount but know nothing on how to check these also theres a bit of slippage in the gears it seems to me you know quite a bit about the lxi so maybe you could help me with this at this point the egr is at the bottom of the list
Well, I've just owned a few 3rd gen Accords (3rd gen= 86 to 89)....and being poor, had to teach/learn a ton of things to keep them on the road.
Me, I'd start with asking - When was the last time the trans fluid was changed? Assume it is an auto - might have been posted but can't remember. Easy to do it, need help just let us know.
To check the mounts. Get someone you trust to help with this. I'd block the wheels and pull the e-brake. Have the helper in the drivers seat, have them start the car, put it into R and slightly give gas.
If you see the motor "tilt" more than you think it should, look closely at the front mount (between rad and engine). Also check the rear mount, not the strut but the mount below below that - best seen from the pass side fender.
Have the help do this again in D, looking at the same mounts.
If either or both are broken, please check the "front mount" - by the belts going to the drivers fender - to be sure it is good.
If any of the mounts are broken they need to be replaced....and you are in luck, just did this ~4 weeks ago on one of the 89's so it is still fresh in my memory
....replaced four of the five....only one I didn't do was the one under the car - where the trans and "center beam" come together.
Me, I'd start with asking - When was the last time the trans fluid was changed? Assume it is an auto - might have been posted but can't remember. Easy to do it, need help just let us know.
To check the mounts. Get someone you trust to help with this. I'd block the wheels and pull the e-brake. Have the helper in the drivers seat, have them start the car, put it into R and slightly give gas.
If you see the motor "tilt" more than you think it should, look closely at the front mount (between rad and engine). Also check the rear mount, not the strut but the mount below below that - best seen from the pass side fender.
Have the help do this again in D, looking at the same mounts.
If either or both are broken, please check the "front mount" - by the belts going to the drivers fender - to be sure it is good.
If any of the mounts are broken they need to be replaced....and you are in luck, just did this ~4 weeks ago on one of the 89's so it is still fresh in my memory
....replaced four of the five....only one I didn't do was the one under the car - where the trans and "center beam" come together.
okay cool so there is definitely some tilt in the motor actually a little more than a little. i have looked at the strut mount behind the motor it is fine and while looking at the two side mounts going to the fenders they look ok but someone once told me looks can be deceiving i dont know exactly where the other mounts are at but im still looking is there a mount all the at the bottom rear? i think i saw there but not sure
Yes, at the back - between the motor and firewall - there is a mount below the "strut/dog bone mount"....it is dark so I can't take a pic right now.
Going on memory, lord help us all, if you remove the "air intake" to the tb, look right below that and you should see it.....hummm, to the pass side of the oil filter...sorry not sure how else to describe it right now.
Again, with the help of someone you trust you can see this....maybe add a good flashlight and shine that on the mounts.
Going on memory, lord help us all, if you remove the "air intake" to the tb, look right below that and you should see it.....hummm, to the pass side of the oil filter...sorry not sure how else to describe it right now.
Again, with the help of someone you trust you can see this....maybe add a good flashlight and shine that on the mounts.
okay so i checked the front mount and it looks fine no real movement there and no no cracks or anything is that what i should be looking for or could there be damage inside of the boot maybe? also i think i can kinda see the rear but it is also dark here so cant tell to well
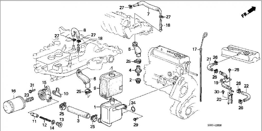
one more thing very little very simple im looking at al hose that leaks oil on my car it goes from the oil pan and leads to lord knows where but i think it is the oil breather hose part# 11854-pc6-010 but not sure could that be right? sorry to go off topic but i dont like the smell of burning oil either way its not too bad a leak and the tranny is my top priority so just wondering
Ok, I'm getting confused. I'll let you pick where to start.
1) For the trans. Check the fluid level, level ground and within ~1 minute after you shut the car off. If it is low or the fluid is brown in color then I would suggest a drain and fill - Do not take it somewhere and let them "flush" it with a machine....just like the engine oil - less the filter. Remove drain plug, wipe off drain plug, re-install the drain plug, re-fill trans to proper level.
Check the movement/adjustment of the throttle control cable.
Check the mounts - The front OE mount (between rad and engine) has a bit of a "cover" over it so it can be hard to see if it is broken.
2) Oil leak. Sorry, I can't see your car so you are going to have to tell us? Hope this pic helps?
3) EGR - Well I think we've covered that already
1) For the trans. Check the fluid level, level ground and within ~1 minute after you shut the car off. If it is low or the fluid is brown in color then I would suggest a drain and fill - Do not take it somewhere and let them "flush" it with a machine....just like the engine oil - less the filter. Remove drain plug, wipe off drain plug, re-install the drain plug, re-fill trans to proper level.
Check the movement/adjustment of the throttle control cable.
Check the mounts - The front OE mount (between rad and engine) has a bit of a "cover" over it so it can be hard to see if it is broken.
2) Oil leak. Sorry, I can't see your car so you are going to have to tell us? Hope this pic helps?
3) EGR - Well I think we've covered that already
ok so we will go ahead and stick with the transmission sorry to throw too many things in at once okay so the tranny fluid is new i did that before it also has a decent color to it not too off oh an btw it is a 4at sorry for not listing before
"Check the movement/adjustment of the throttle control cable."
ok so what should i be looking for in the movement and or adjustment of the throttle cable it seems slightly loose to the touch not too loose but definitely not tight either is this normal or should it be tighter or even looser
ok so what should i be looking for in the movement and or adjustment of the throttle cable it seems slightly loose to the touch not too loose but definitely not tight either is this normal or should it be tighter or even looser


