97 Accord Special Edition Spoiler Light Missing
I tried searching the forum and was not able to find an answer. I just recently bought a used 97 Accord Special Edition for my daughter. It was in pretty good shape but needed a little tlc to get it ready for her. She picked it up and took it down to school and probably won't be home next for another month or so. But right as she was leaving, I had noticed that the third brake light wasn't working. We checked in the trunk and noticed that there was no socket for it. We then happened to notice that there should have been a brake light on the spoiler but it was missing. There was a hole for the wiring in the center but no wiring was visible. There is wiring coming from where the 3rd brake light socket should be that runs up to appx where the wiring should go for the spoiler brake light. From everything I have found out, it appears to be factory installed spoiler. I have searched all the online parts microfiche and cannot find any part numbers or any information about a replacement light. I did find find a place that sells a variety of replacement spoiler lights: Honda Accord 1994-1997 Spoiler Lights However, I do not know which one would work. Does anyone possibly have the dimensions for the factory spoiler brake light and the distance between each of the screws? Any help would be greatly appreciated. Thanks
I have a 97 2dr SE, when it gets home (youngest drives it) I can go measure the distance.
I think the OE pn for the "wing/spoiler" is : 08F13-SV4-140C
Is your car a 2 or 4dr, not sure if they are different or not....and too lazy to look right now
I think the OE pn for the "wing/spoiler" is : 08F13-SV4-140C
Is your car a 2 or 4dr, not sure if they are different or not....and too lazy to look right now
RB - I think the issue is the car isn't around, daughter has it at school. I think "dad" is trying to order a new light now so that the next time he gets to see the car/daughter he will already have the part.
I think most of the SE's came with the spoiler, dealer added or whatever.....new gen coming next year so "clear" out all inventory that won't go on the new model coming.....just my theory.
I think most of the SE's came with the spoiler, dealer added or whatever.....new gen coming next year so "clear" out all inventory that won't go on the new model coming.....just my theory.
Thank you for the responses. For further info, like was mentioned, the car is not available to measure right now and is quite a distance away. I just assumed (stupid on my part) that it would be easy to track down replacement part and could google for the information. Also this SE is a 4-door model. I have had a 97 Honda Goldwing for the last 15 years so I am no stranger to tracking down part numbers with microfiche and parts for it seem more available and easier to find than for this Accord. I saw on microfiche on other model years that came with spoilers, it will also show the spoiler and light assembly when looking at the trunk microfiche but the 97 SE only shows the trunk and various parts. I am still fairly certain that the spoiler is OEM but whether it was added at the factory or dealer, I couldn't tell you.
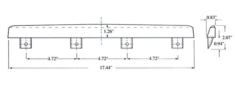
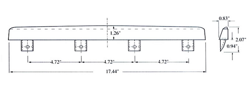
Poorman212, the 17.5" could be the right one as my daughter's light assembly is also attached by 4 tabs/screws as well. At least you have me headed in the right direction. When I was looking at the spoiler light sight I linked to above, one of the choices is a 17.5" with 4 tabs. One of the things that the site asks for is that if you are unsure which of the various light assemblies would work, to measure the distance between each screw as well.

Does this one pretty much match up with the dimensions on your son's spoiler? It looks about right but on my daughters, it appears that the wiring coming off the harness should be in the center where it enters the spoiler and maybe have a grommet. The 17'5" has the wiring off center but I noticed some of the other ones shown do have the wiring in the center and have some kind of rubber protector right where the wiring comes out.
And since I am talking about the spoilers, was the original OEM one LED's or incandescent? I came across a thread on another site that mentioned wiring up an LED spoiler and that there was now bulb out warning on the dash and that the wiring for the spoiler did not match up with the 3rd brake light??? Now I may be mixing up the information I remember as I can't find that thread again. I just want to get some kind of high mount stop lamp on her car working for safety. Luckily all the other bulbs work so she does at least have the left and right brake lights.
Poorman212, the 17.5" could be the right one as my daughter's light assembly is also attached by 4 tabs/screws as well. At least you have me headed in the right direction. When I was looking at the spoiler light sight I linked to above, one of the choices is a 17.5" with 4 tabs. One of the things that the site asks for is that if you are unsure which of the various light assemblies would work, to measure the distance between each screw as well.

Does this one pretty much match up with the dimensions on your son's spoiler? It looks about right but on my daughters, it appears that the wiring coming off the harness should be in the center where it enters the spoiler and maybe have a grommet. The 17'5" has the wiring off center but I noticed some of the other ones shown do have the wiring in the center and have some kind of rubber protector right where the wiring comes out.
And since I am talking about the spoilers, was the original OEM one LED's or incandescent? I came across a thread on another site that mentioned wiring up an LED spoiler and that there was now bulb out warning on the dash and that the wiring for the spoiler did not match up with the 3rd brake light??? Now I may be mixing up the information I remember as I can't find that thread again. I just want to get some kind of high mount stop lamp on her car working for safety. Luckily all the other bulbs work so she does at least have the left and right brake lights.
The picture of the one in your last post matches the one on my son's SE. I didn't open the trunk or remove it to look at the wires (center or off-center). Or pull it to see if it was bulbs or LED's, pretty sure it is LED's.
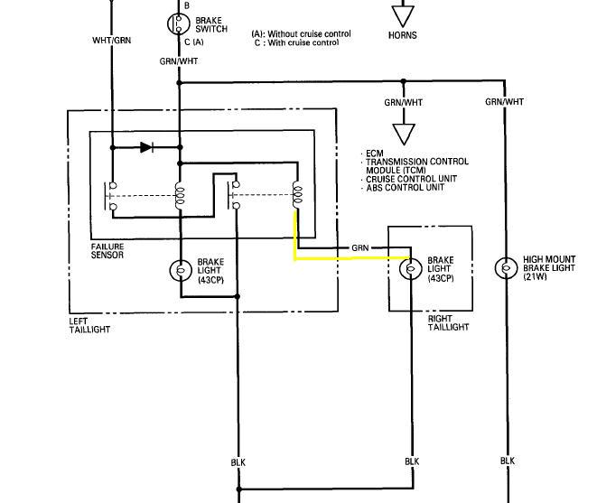
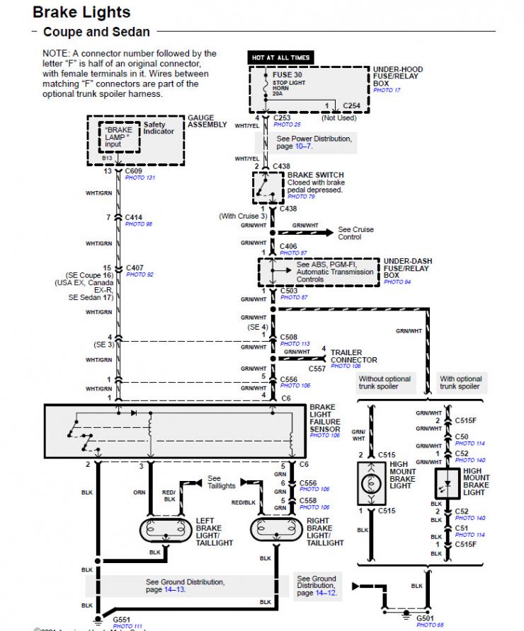
Also, the "third" brake light does not "go through" the bulb out sensor....hence no light on the dash telling you about it. You can see that in the diagram from RB - kind of hard to see in that pic so I'm attaching one that might be easier to see.
I would go look more but as you can guess the car is gone already.....came home, ate and a few other things - gone again. It might be tomorrow before I can get another good look at his.
EDIT: Sorry, the yellow line in the pic has nothing to do with this thread - must have been something I was doing for someone else.
Also, the "third" brake light does not "go through" the bulb out sensor....hence no light on the dash telling you about it. You can see that in the diagram from RB - kind of hard to see in that pic so I'm attaching one that might be easier to see.
I would go look more but as you can guess the car is gone already.....came home, ate and a few other things - gone again. It might be tomorrow before I can get another good look at his.
EDIT: Sorry, the yellow line in the pic has nothing to do with this thread - must have been something I was doing for someone else.
Last edited by poorman212; May 26, 2014 at 12:16 PM.


