General Tech Help Good at troubleshooting? Have a non specific issue? Discuss general tech topics here.

Did I screw up?

Thread Tools
 
Search this Thread
 
Old May 8, 2013 | 08:28 PM
  #21  
poorman212's Avatar
Super Moderator
Joined: May 2010
Posts: 11,834
From: Kenton, TN
Default

Sorry for the delay....we get behind on reading.

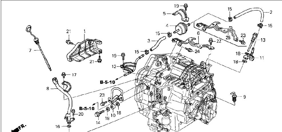
Yes there is an external filter.....see pic....see #4.
 
Attached Thumbnails Did I screw up?-7th-gen-4-cyl-auto-trans-dia.jpg  
Old May 12, 2013 | 05:45 PM
  #22  
azcromntic's Avatar
Thread Starter
|
Newest Of Newbies
Joined: Apr 2013
Posts: 26
Default

Thank-you!

I changed the spark plugs. Good thing too because the electrode on them was almost all gone. Instead of taking six cranks to start now it's three.
 
Old May 23, 2013 | 02:57 PM
  #23  
azcromntic's Avatar
Thread Starter
|
Newest Of Newbies
Joined: Apr 2013
Posts: 26
Default

So, I was looking online for price comparission for the external filter that was mentioned. What I noticed was that most autoparts stores list a different filter that goes inside the transmission. So is there a pic of the one that is inside the transmission? I was under the impression from my own service manual that the transmission had no "pan" and so changing an internal filter would require complete removal and disassembly of the transmission to get to the internal filter.

So if there is an internal filter then it seems like, if a person had to pay to have that changed, it would almost be cheaper to let the transmission fail and then replace it with a used one due to cost to change the filter inside.

Thoughts?
 
Old May 23, 2013 | 03:15 PM
  #24  
shipo's Avatar
Super Moderator
Joined: Aug 2012
Posts: 3,070
From: Southern New Hampshire
Default

My 2001 Accord is the same way, you need to R&R the tranny and crack the case to replace the filter. In my case I have an oil extractor which I use for all of my oil and other fluid changes; I simply run the tube down the transmission dipstick hole, pump out as much fluid as I can, and fill it back up with new fluid. Takes all of ten minutes.
 
Old May 23, 2013 | 04:42 PM
  #25  
azcromntic's Avatar
Thread Starter
|
Newest Of Newbies
Joined: Apr 2013
Posts: 26
Default

To be honest I haven't even looked under my car to see if there is a pan but that is really part of what I am asking.

Is there a transmission pan on a 4 cylinder 2004 Accord and if so then how hard is it to change the transmission filter inside of the transmission (my service manual seems to indicate I'd have to take it all apart). OR, is the external filter change good enough and just go with the idea that it would be cheaper (if I had to pay someone to do it) to replace the transmission than change the filter on the inside (if I paid someone to do it).
 

Last edited by azcromntic; May 23, 2013 at 04:52 PM.
Old May 23, 2013 | 06:08 PM
  #26  
MessAround's Avatar
Almost A Senior Member
Joined: Jun 2011
Posts: 329
Default

I have never heard of a Honda having a pan for the AT. Maybe other people here know of one but all of the Honda's I've had didn't have a pan in the traditional sense where it's removable secured with bolts around the perimeter like on other car brands such as Nissan.

On Honda's I've owned they're all "pan-less", with the filter deep inside. So much so it's not worth the effort or money to change it.

On some Honda's they have something that looks like a traditional AT filter inside the transmission case then they have a canister filter wired up outside so they have two filters? Exactly like the picture Poorman linked. And sometimes the canister ones are a bastard to reach like on some Civics where it's mounted near the firewall making it extremely hard to reach. Some times dealerships don't even know about them (they're so elusive) so you have to find the part number and ask them for it specifically.

I'd just change the fluid often and call it a day. I wouldn't ever bother with the filter but that's just me.
 
Old May 29, 2013 | 04:12 PM
  #27  
azcromntic's Avatar
Thread Starter
|
Newest Of Newbies
Joined: Apr 2013
Posts: 26
Default

So I noticed recently that if I coast down hill in neutral the rpm's are higher than if I were idling in gear. Even just idling in neutral the rpm's are higher. Also, I noticed that if I am going up hill the transmission does not shift as soon; it revs high until the hill starts to smooth out and then, if I let off the gas just a hair it will shift.

Is that how your 2004 through 2007 behaves?

Also, seems like I can hear the lifters clicking all the time. Same noise as my wifes newer car. Valve adjustment needs done?

Did I already mention that I changed out the cabin filter and it was PACKED with dirt. Now the air blows nice and strong.

Still working to get the garage cleaned out so I can change fluids.
So far the car is great!
 
Old May 30, 2013 | 05:06 AM
  #28  
MessAround's Avatar
Almost A Senior Member
Joined: Jun 2011
Posts: 329
Default

I think the first thing you're referring to is Grade Logic Control in which case it'd be normal, as quoted:

Accord four-cylinder and V-6 models are available with 5-speed automatic
transmissions with Grade Logic Control. Four-cylinder engines have a compact
three-shaft transmission design that is engineered for smooth operation and
fuel efficiency.
Grade Logic Control
To reduce gear "hunting" and unnecessary shifting, Grade
Logic Control and Shift Hold Control systems are integrated into the shift
programming of Accord automatic transmissions. Grade Logic Control alters the
5-speed automatic's shift schedule, reducing shift frequency while traveling
uphill or downhill. Using inputs monitoring throttle position, vehicle speed
and acceleration/deceleration, Grade Logic compares the operating parameters
with a digital map stored in the transmission computer. When the system
determines the Accord is on a hill, the shift schedule is adjusted to
automatically hold the transmission in a lower gear for better climbing power
or increased downhill engine braking.
Not sure about the valve adjustment, on mine I find it gets noisy when it warms up but not when it's cold and then it just goes away. It's normal for me or I don't notice it.

As for the cabin filter yup, people get a surprise sometimes. Like when I changed mine on my "certified pre-owned" and I found it wasn't changed and whoever originally installed it whenever it was last changed did so upside down.

But have fun doing the rest of the maintenance.
 
Old May 31, 2013 | 10:48 PM
  #29  
azcromntic's Avatar
Thread Starter
|
Newest Of Newbies
Joined: Apr 2013
Posts: 26
Default

Okay, so my wife has a 2007 with leather. Mine's leather too. She asked me what we should use on the seats to clean and condition. Also, we were wondering if it is real leather or some kind of plastic leather. What do you all use for the leather?
 
Old Jun 9, 2013 | 01:41 AM
  #30  
azcromntic's Avatar
Thread Starter
|
Newest Of Newbies
Joined: Apr 2013
Posts: 26
Default

I'm moving on to bleeding brakes (replacing old fluid). I'm wondering, since there are only two lines coming out of the master cylinder that run along the firewall to the (I'm assuming) ABS box, if I couldn't just bleed the whole system from that box.

So one of the lines that goes from the master cylinder to the box has to be a return line to the MC. Couldn't I just take that return line that goes from the box to the MC lose and stick it into a new can of fluid. Then, add in a line (since the port is now open) from the box to a drain pan to catch old fluid?

Pump like crazy, fill, repeat.???
 



All times are GMT -5. The time now is 10:07 PM.