Key problem with a 2003 Accord
So basically, the housing of my key snapped and now the key is loose and has already fallen apart on me. How can I get this replaced? Do I have to go to a Honda dealership to get a new housing? If so, how much am I looking at for this to get fixed?
If it is only the housing, you can order just the top and bottom of the case.
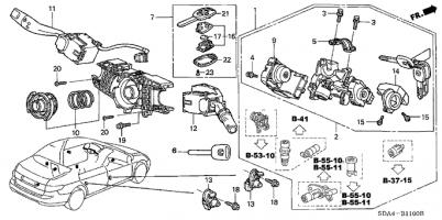
KEY, TRANSMITTER TOP CASE (BLANK) Part No.: 35113-SDA-305 $27.33
LOWER, TRANSMITTER KEY CASE Part No.: 35114-SDA-A11 $4.22
It is # 21 and 22 in the diagram.
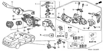
KEY, TRANSMITTER TOP CASE (BLANK) Part No.: 35113-SDA-305 $27.33
LOWER, TRANSMITTER KEY CASE Part No.: 35114-SDA-A11 $4.22
It is # 21 and 22 in the diagram.
Sorry for not giving you a thanks for the reply. I've been off the grid for practically a month now. Life is great when you take a vacation to Florida and the Bahamas.
I have a question. Where can I go to buy those parts? The Honda dealership/parts store doesn't have them and they want to charge me $150 to reprogram my key when I told them all I need is just the casing.
Thanks in advanced.
I have a question. Where can I go to buy those parts? The Honda dealership/parts store doesn't have them and they want to charge me $150 to reprogram my key when I told them all I need is just the casing.
Thanks in advanced.
The dealer can order the housing if they don't have it in stock. They have to cut the key blank.
On your 7th generation Accord, you have to cut your chip from the old top case to put in the new one if you want to avoid reprogramming. My 8th generation Accord's chip is not in the top case like the 7th generation. See these threads regarding chip removal:
https://www.hondaaccordforum.com/for...lip-key-37808/
New Flip Key - Drive Accord Honda Forums
On your 7th generation Accord, you have to cut your chip from the old top case to put in the new one if you want to avoid reprogramming. My 8th generation Accord's chip is not in the top case like the 7th generation. See these threads regarding chip removal:
https://www.hondaaccordforum.com/for...lip-key-37808/
New Flip Key - Drive Accord Honda Forums
Thread
Thread Starter
Forum
Replies
Last Post
corlyf
General Tech Help
1
Sep 12, 2012 11:30 PM



