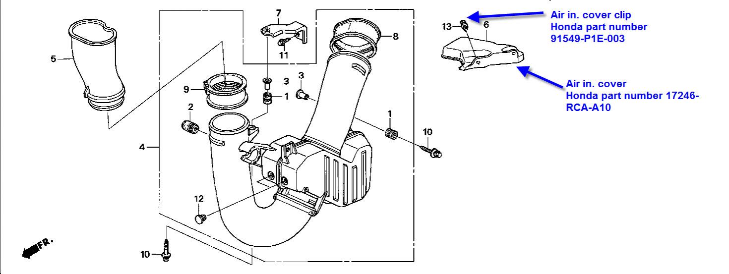
Push pins part number?
I cannot find for the life of me the part number of the pins in the lower right side of the picture. I searched Honda's Estore and that plastic cover and the pins are not listed anywhere ....
Last edited by whycomputers; Sep 4, 2012 at 09:03 AM. Reason: Solved
Yes, but it does not have the plastic piece that supports (and "links") the battery enclosure with the large plastic part pictured above (#1).
I will check the car later today and see if that type of pin is used anywhere else.
I will check the car later today and see if that type of pin is used anywhere else.
Thread
Thread Starter
Forum
Replies
Last Post
nicolaselias
General Tech Help
5
Mar 24, 2008 12:12 PM




