what to flush out the vehicle speed sensor with
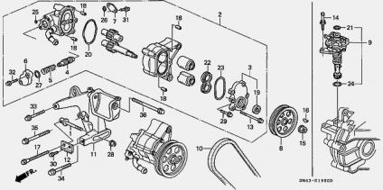
I bought a salvaged part number 9 in the attached drawing. It is the speed sensor assembly on a 1993 Honda Accord with 5-speed transmission. The speed sensor module on top is missing so I'm going to put the one I have from my broken assembly on it.
My question is what type of fluid should I flush it with before installing the speed sensor module? power steering fluid or motor oil (the 5-speed uses 10W-40 for the manual transmission). It has a reddish look down inside where the shaft link goes.
Thanks
My question is what type of fluid should I flush it with before installing the speed sensor module? power steering fluid or motor oil (the 5-speed uses 10W-40 for the manual transmission). It has a reddish look down inside where the shaft link goes.
Thanks
There's a couple hoses to that assembly? Power steering fluid inside.
Then down into the tranny, it should be the transmission oil. If it's reddish, I wonder if a previous owner has put ATF in there? Or maybe Redline MTL??
Then down into the tranny, it should be the transmission oil. If it's reddish, I wonder if a previous owner has put ATF in there? Or maybe Redline MTL??
No, the oil that came out of the transmission looked like engine oil to me.
When you remove the sensor from the top of the VSS assembly (part #9 in the drawing) there is a tube with an o-ring left sticking up. The sensor fits over top of that. Inside this tube there is a small slotted tube that turns with the gear on the bottom of the VSS assembly. The part with the reddish color is around the slotted tube.
I poured some power steering fluid into this opening and it flowed out some weepholes toward the middle of the part.
The Haynes manual says when you pull the transmission to remove the whole VSS assembly so that you can leave the PS hoses attached but you end up with a lot of crud in your transmission if you do that. I'm trying to get this thing put back together. Thanks for the input.
When you remove the sensor from the top of the VSS assembly (part #9 in the drawing) there is a tube with an o-ring left sticking up. The sensor fits over top of that. Inside this tube there is a small slotted tube that turns with the gear on the bottom of the VSS assembly. The part with the reddish color is around the slotted tube.
I poured some power steering fluid into this opening and it flowed out some weepholes toward the middle of the part.
The Haynes manual says when you pull the transmission to remove the whole VSS assembly so that you can leave the PS hoses attached but you end up with a lot of crud in your transmission if you do that. I'm trying to get this thing put back together. Thanks for the input.
Thread
Thread Starter
Forum
Replies
Last Post
dtcaccord
General Tech Help
10
Jun 4, 2008 09:54 PM
PJ_STYLES_95AccordEx
General Tech Help
1
Aug 9, 2006 09:51 PM




