wheel bearing/hub??
I have a 92 honda accord EX. i took it to the mechanic today and he said my wheel bearing is shot and to replace it its gonna run me about 450.oo because there is a special way to change it that is specific to the 92 model and year!! my question is, is that true?? should i get a second opinion? any advice would be good. i know the wheel bearing is bad, but i wnat to know if theres a special way to do it thats specific to the 92 accord?
thanks!
thanks!
Well, special to all the Accords up to 1997, and it's not the same as most other cars. But get a 2nd opinoin because to me that sounds kinda expensive. Where are you located? Labor prices vary A LOT from place to place.
Not all that "special" but the installation is a bit strange compared to most other car brands. It's the "hub-over-rotor" configuration of the brake rotors (search for that phrase). Like I said it sounds like a high price, but I don't really know that for sure.
it was to replace the front right (passenger) bearing and hub assembly. he said something about it being a (two-piece) bearing?? i dont know. its a 92 with 158,000 miles on it, so i would like to keep it for a while longer, ive put ALOT of work/money in it!
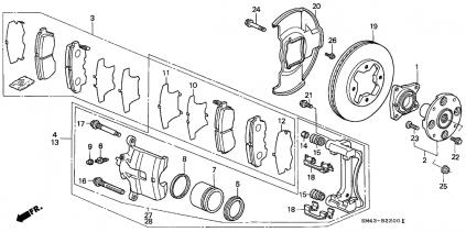
OK, here's a couple pictures showing the difference.
First picture shows the 1992 setup. The wheel bearing is #1 and the hub is #2. The hub isn't normally replaced, so maybe there's something wrong with it? Notice the hub is outside of the brake rotor (#19) so the rotor can't be removed without first removing the bearing & hub. That's the unique part.
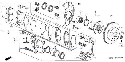
Second picture is the newer setup, 1998 in this picture. This is arranged the way most other car companies do it. The bearing is #2, the hub is #3, and the brake rotor (#17) fits over the hub. This way the rotor can be removed easily without disturbing the wheel bearing.
Some people have converted it over to the newer setup, by getting knuckles, bearing, brakes, etc from a different car. Not sure if 1998 Accord parts are the best choice, maybe some year of Prelude. Hope someone will chime in about that.
First picture shows the 1992 setup. The wheel bearing is #1 and the hub is #2. The hub isn't normally replaced, so maybe there's something wrong with it? Notice the hub is outside of the brake rotor (#19) so the rotor can't be removed without first removing the bearing & hub. That's the unique part.
Second picture is the newer setup, 1998 in this picture. This is arranged the way most other car companies do it. The bearing is #2, the hub is #3, and the brake rotor (#17) fits over the hub. This way the rotor can be removed easily without disturbing the wheel bearing.
Some people have converted it over to the newer setup, by getting knuckles, bearing, brakes, etc from a different car. Not sure if 1998 Accord parts are the best choice, maybe some year of Prelude. Hope someone will chime in about that.
If they want to replace the hub I would definitely question that. I dont think they could diagnose a bad hub short of cutting it up and doing a metallurgical analysis they are pretty solid parts. Maybe when they said hub they were actually referring to just the bearing assembly, they probably were as hubs are not that cheap to come by except a junk yard.


