1999 Honda Accord V6 a/c prob.
Hey!
So it's been like this for a little less than a year but My Honda blows air still but only on Max or on Auto (which is automatically set to Max anyway) I'll have the temp all the way on Max cool (60 degrees) but it only blows hot air on Max nothing else I mean the defrosters work heat works but not the A/C and with this CA heat wave me and the girlfriend are just a little sick of my car not having air it's hot! Any help would be great! Thanks! Any ideas?
So it's been like this for a little less than a year but My Honda blows air still but only on Max or on Auto (which is automatically set to Max anyway) I'll have the temp all the way on Max cool (60 degrees) but it only blows hot air on Max nothing else I mean the defrosters work heat works but not the A/C and with this CA heat wave me and the girlfriend are just a little sick of my car not having air it's hot! Any help would be great! Thanks! Any ideas?
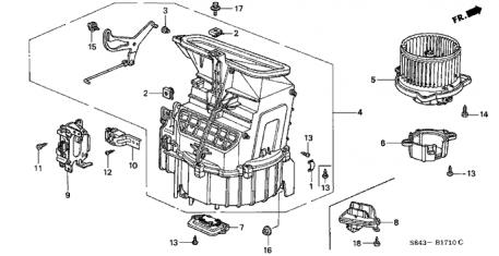
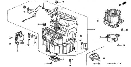
Power transistor short would explain only max blower speed but not absence of cooling.
Is compressor engaging (face of compressor turning)? If not, need to determine why compressor is not engaging? fuse, relay, loss of charge, clutch coil gap too large, etc.
good luck
Is compressor engaging (face of compressor turning)? If not, need to determine why compressor is not engaging? fuse, relay, loss of charge, clutch coil gap too large, etc.
good luck
Thread
Thread Starter
Forum
Replies
Last Post
mlhand
General Tech Help
0
May 3, 2007 12:57 AM



