Brake light switch
Hello!
I'm pretty sure I'm on the right track with this but I do need some reassurance!
Last night I noticed that my brake lights didn't come on when I pressed the brake. However, the light in the rear window did. I do have lights and action back there (except when pressing the brake) when my headlights are on. To narrow things down I checked the bulbs and fuses--all were fine. I'm thinking it's the brake light switch on the brake pedal.
My question is would the rear window light still go on if the brake light switch is dead/faulty? Or am I looking at a whole new problem...
I'm pretty sure I'm on the right track with this but I do need some reassurance!
Last night I noticed that my brake lights didn't come on when I pressed the brake. However, the light in the rear window did. I do have lights and action back there (except when pressing the brake) when my headlights are on. To narrow things down I checked the bulbs and fuses--all were fine. I'm thinking it's the brake light switch on the brake pedal.
My question is would the rear window light still go on if the brake light switch is dead/faulty? Or am I looking at a whole new problem...
If the "third" bake light is coming on when you push the pedal, sorry, not the switch. Is the car icon (the one that tells you the door is open and that) on saying that the brake lights are out?
Double check the bulbs, dual element.
Double check the bulbs, dual element.
It would not be the brake light switch if the center light works.
There are 2 grounds for the taillights, They should be under the plastic trim on the drivers side near the latch for the trunk. I bet 1 of those has failed.
There are 2 grounds for the taillights, They should be under the plastic trim on the drivers side near the latch for the trunk. I bet 1 of those has failed.
Opps, sorry just realized this is a 6th gen.....check the fuse as well......as you can see in the diag there is a fuse to the left and right......where is that "hammer to head icon" when you need it.
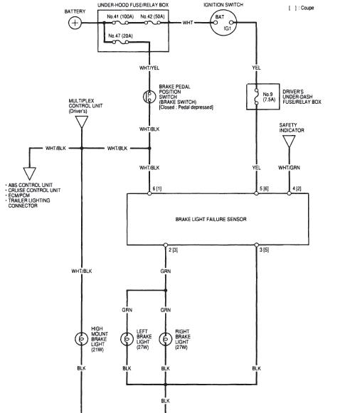
Crispin is correct, the ground for the left/right tail could be the issue (different than the high mount/third light). G601 is the ground for the rear (left/right) lights and a few other things but not the "third" brake light.....it is 14 in the pic (big circle).
Last edited by poorman212; Jan 3, 2012 at 08:18 PM.
Well someone stick me in a corner and put a dunce cap on me.
After reading Poorman's post I decided to go and have a look at the bulbs once more. To be honest, I only checked the bulbs in the trunk and not the ones on the fender/back area thingymagoo. So I started off with the driver's side and found my way in, started swearing as I couldn't get one bulb out and then something caught my eye... something that looked like it should be plugged in.
It could not have been that simple....
Oh yes... yes it could have. I plugged back in whatever that thing was and went to test my brake lights.. TADA!
I come back here to celebrate my awesome adventure and saw the other posts. I think it was the big circle thingy.. the "third" light.
So then I went through the "how in the world did that get unplugged??" as it would have taken some force. Get this... I got my car back from the body shop (car went in 2nd week of August) in October after some ding-dong blew a stop sign and took out my back driver's door, panel, and wheel well. I bet when they replaced the panel they forgot to hook up that one little part. Here I was freaking out that I was going to get a ticket today because of no brake lights when in fact, it turns out I've been driving without them since October.
Thanks for everyone's help
*straightens the dunce cap and sits quietly in the corner*
After reading Poorman's post I decided to go and have a look at the bulbs once more. To be honest, I only checked the bulbs in the trunk and not the ones on the fender/back area thingymagoo. So I started off with the driver's side and found my way in, started swearing as I couldn't get one bulb out and then something caught my eye... something that looked like it should be plugged in.
It could not have been that simple....
Oh yes... yes it could have. I plugged back in whatever that thing was and went to test my brake lights.. TADA!
I come back here to celebrate my awesome adventure and saw the other posts. I think it was the big circle thingy.. the "third" light.
So then I went through the "how in the world did that get unplugged??" as it would have taken some force. Get this... I got my car back from the body shop (car went in 2nd week of August) in October after some ding-dong blew a stop sign and took out my back driver's door, panel, and wheel well. I bet when they replaced the panel they forgot to hook up that one little part. Here I was freaking out that I was going to get a ticket today because of no brake lights when in fact, it turns out I've been driving without them since October.
Thanks for everyone's help

*straightens the dunce cap and sits quietly in the corner*
Oh, how true....wore mine this weekend.
When replacing the sway bar end links it is nice to get both sides off, get one side "slightly" on then do the other......just have to remember to tighten the first side all the way.....I really want that hammer on head icon......OP-as PA said, the main thing is you got it figured out and you were up to updating the thread and letting everyone know what FIXED the issue....I Thank You for that.
Thread
Thread Starter
Forum
Replies
Last Post
rudeg
General Tech Help
6
Dec 31, 2015 07:23 PM
victorywhity
General Tech Help
4
Mar 24, 2011 09:37 PM
jdelgado
Private 'Wanted' Classifieds
0
Oct 29, 2007 09:49 PM




