General Tech Help Good at troubleshooting? Have a non specific issue? Discuss general tech topics here.

A couple questions timing chain cover installation

Thread Tools
 
Search this Thread
 
Old Feb 23, 2024 | 08:48 AM
  #1  
kris_loehr's Avatar
Thread Starter
|
Been Around A Long Time Member
Joined: Aug 2007
Posts: 1,184
From: Chesterfield MI 48047
Default A couple questions timing chain cover installation

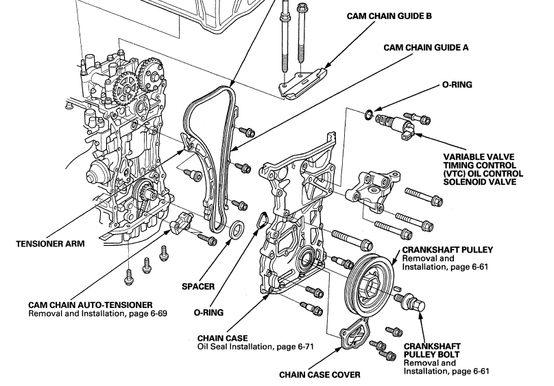
Where do the two cover bolts with shoulders fit. Most photos on that show the two bottom holes. Mine don't fit in there.

What are the torque specs for the guides, tensioner and over rocker arm guides
 
Old Feb 23, 2024 | 09:51 AM
  #2  
PAhonda's Avatar
Super Moderator
Joined: Sep 2006
Posts: 16,329
From: Houston, TX
Default

I'm working off a 2010 accord shop manual as I don't have a 2014.

16 ft-lb for the tensioner arm bolt, 8.7 ft-lb for the smaller guide bolts.

The shouldered bolts look to go in the lower left and lower right holes on the pic below. Not the bolts from the bottom.




 
Old Feb 23, 2024 | 06:26 PM
  #3  
kris_loehr's Avatar
Thread Starter
|
Been Around A Long Time Member
Joined: Aug 2007
Posts: 1,184
From: Chesterfield MI 48047
Default

From your post I found that the bolts on my 2014 are three from the bottom. What is the torque on guild over the cam sprockets?
 
Old Feb 24, 2024 | 12:30 PM
  #4  
PAhonda's Avatar
Super Moderator
Joined: Sep 2006
Posts: 16,329
From: Houston, TX
Default

I typically don't worry about using a torque wrench on every bolt. If the top guide is secured to the cylinder head through plastic holes, then I'd use the 8.7 ft-lb as the vertical guide smaller bolts. My approach is to ensure the bolt is tight enough to not break or warp the part you are bolting. Through plastic I tighten by hand until snug, then 1/8 to 1/4 a turn at most extra. If I'm concerned about a bolt loosening due to vibration I'll use the weakest locktite on threads as extra insurance.
 
Related Topics
Thread
Thread Starter
Forum
Replies
Last Post
Steelheadslayer
General Tech Help
1
May 23, 2017 06:30 PM
atikovi
General Tech Help
4
Jul 5, 2016 04:30 PM
deerdawg
General Tech Help
7
Apr 27, 2013 08:35 AM
Accord 2.2
General Tech Help
3
Oct 5, 2012 04:34 PM
JohnAccord2007
General Tech Help
4
Aug 13, 2012 08:35 AM




All times are GMT -5. The time now is 02:24 PM.