Chain Case Cover over Timing Belt Tensioner
Unregistered
Posts: n/a
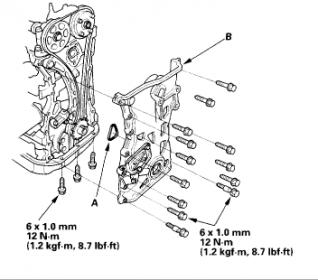
Hello, Just curious if anyone know: In 4cyl Honda Accord, why does the timing belt tensioner have the separate cover over it? I know this allows the tensioner to be replaced easier (without removing the whole chain case) but
1. Does the tensioner really have to be replaced so often that this is necessary? (I would think it could just be checked/replaced when the timing belt was replaced).
2. It doesn't look like it is possible to inspect the timing belt through this cover, right?
3. It doesn't look like the tensioner can even be checked through this window (since the extension of the tensioner arm cannot be measured from this window), right? So how would you know if the tensioner was bad through this cover anyway?
Thanks for any responses!
John
1. Does the tensioner really have to be replaced so often that this is necessary? (I would think it could just be checked/replaced when the timing belt was replaced).
2. It doesn't look like it is possible to inspect the timing belt through this cover, right?
3. It doesn't look like the tensioner can even be checked through this window (since the extension of the tensioner arm cannot be measured from this window), right? So how would you know if the tensioner was bad through this cover anyway?
Thanks for any responses!
John
Just checking... You're talking about a 2007 (judging from your screen-name)?
It has a timing chain, not a belt.
You check wear on the chain based on how far the tensioner is extended (13.5mm maximum). I don't remember the details of how you measure it...
It has a timing chain, not a belt.
You check wear on the chain based on how far the tensioner is extended (13.5mm maximum). I don't remember the details of how you measure it...
Unregistered
Posts: n/a
Yes, Sorry, I am asking about a 2007. Thanks for the info. Just curious why the tensioner has its own cover -- especially since it looks like the tensioner extension measurement (the 13.5mm) can't be made w/o removing the entire engine front cover...
Thanks again!
John
Thanks again!
John
Thread
Thread Starter
Forum
Replies
Last Post
NoORs
General Tech Help
2
Apr 4, 2015 01:54 PM
DisplacedMic
General Tech Help
4
Jan 25, 2011 08:51 PM




