Help on finding Brake part for 2001 Accord EX 6cyl (Caliper pin rubber sleeve)
I am trying to help my nephew get his first car on the road and I was fixing the rear brakes on his 2001 Accord EX 2 door coupe (6cyl). I need to replace both caliper pin rubber sleeves. I replaced the rear caliper bracket and purchased new rubber sleeves for the caliper pin. Unfortunately the gaskets do not seat in the bracket. The original bracket which was exchanged for the remanufactured one had a metal backing plate that was seated into the bracket which held the rubber sleeve. I cannot seem to find these anywhere. I see this rubber sleeve with the metal backing plate in video's and pictures of the complete caliper but I cannot find them as separate parts that I can purchase. Any help would be appreciated.
-Craig
-Craig
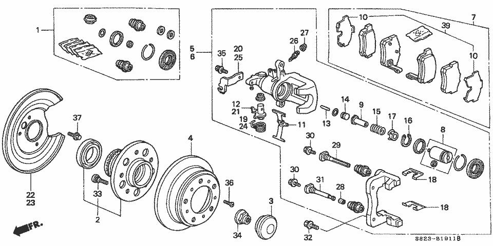
I don't see any metal plates around the caliper slide pins (#29 & 31). There's rubber dust boots for those pins but they're not numbered & don't look like they're available separately.
Do you see what you're talking about in the picture?
Do you see what you're talking about in the picture?
Yes it is hard to see but the rubber grommet for the pin has a metal backing plate. Apparently the numerous auto parts stores that I went too try and sell you one that will not work. I just got back from Honda for the second time and helped the counter guy find the right parts listing (Same as the one shown above). Unfortunately I need to pay $31 for a 10 cent rubber piece.
Thanks
Thanks
Thread
Thread Starter
Forum
Replies
Last Post




