05 accord blower inop past first 4 selections
I have a 2005 accord 2.4 mt coup and the blower will not work past the first 4 settings i replaeced the transistor for the blower motor and still the same thing i did notice when i get in the car in the morning the blower will work on all speeds and if i leave it on high it will stop after awhile but will always work on the first 4 speeds any help would be great
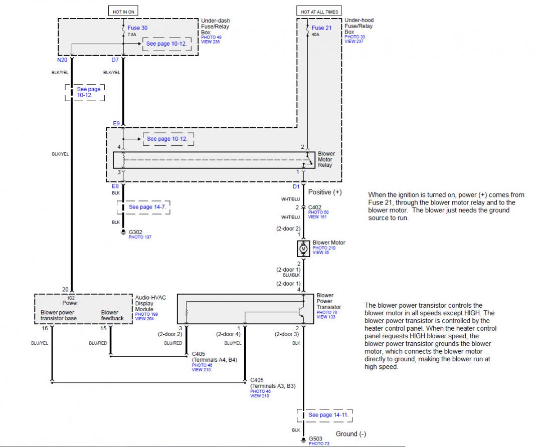
It's a faulty blower motor power transistor. The blower power transistor controls the blower motor in all speeds except HIGH.
See this thread for repair or replacement.
https://www.hondaaccordforum.com/for...-repair-40796/
See this thread for repair or replacement.
https://www.hondaaccordforum.com/for...-repair-40796/
Does your car have auto climate control? The following info. is for the manual A/C models:
Then it may be an issue with the audio-HVAC control module. The control module provides the ground circuit (-) to operate the blower motor. The positive side (+) of the blower motor wiring is always hot, it just needs the negative ground (-) source through power transistor; the ground sources are controlled by the audio-HVAC control module.
Check for any HVAC Diagnostic Trouble Codes (DTCs) (both manual A/C and climate control are included):
https://www.hondaaccordforum.com/for...-code-s-34589/
Then it may be an issue with the audio-HVAC control module. The control module provides the ground circuit (-) to operate the blower motor. The positive side (+) of the blower motor wiring is always hot, it just needs the negative ground (-) source through power transistor; the ground sources are controlled by the audio-HVAC control module.
Check for any HVAC Diagnostic Trouble Codes (DTCs) (both manual A/C and climate control are included):
https://www.hondaaccordforum.com/for...-code-s-34589/
It may be an issue with the audio-HVAC control module or wiring. The heater control panel (part of the audio-HVAC control module) controls the blower controls, air delivery, and A/C compressor controls.
The heater control panel controls the blower motor by providing the ground source to operate the blower motor at the different speeds. If the replacement blower power transistor you've installed is not faulty, then it can be an issue with the heater control panel or wiring related to no blower control at the higher speeds.
The purpose of the air mix control motor is to regulate the mixture of cold and hot air by varying the position of the heater-evaporator door. The heater control panel supplies a 5 VDC reference voltage and the ground to the air mix control motor. DTC 2 refers to a short in the air mix control motor circuit; which can be caused by an issue with wiring, the heater control panel; and less likely, a problem with the air mix control motor. -- A service manual would have steps to test wiring at the electrical connector for the audio-HVAC control module.
Do you have a problem with the air mix controls?
The heater control panel controls the blower motor by providing the ground source to operate the blower motor at the different speeds. If the replacement blower power transistor you've installed is not faulty, then it can be an issue with the heater control panel or wiring related to no blower control at the higher speeds.
The purpose of the air mix control motor is to regulate the mixture of cold and hot air by varying the position of the heater-evaporator door. The heater control panel supplies a 5 VDC reference voltage and the ground to the air mix control motor. DTC 2 refers to a short in the air mix control motor circuit; which can be caused by an issue with wiring, the heater control panel; and less likely, a problem with the air mix control motor. -- A service manual would have steps to test wiring at the electrical connector for the audio-HVAC control module.
Do you have a problem with the air mix controls?
first thanks for all the help its always great to get on a new fourm and be treated like old freinds . after further diag the audio -HVAC module is bad ground comes and goes so high speed comes and goes so one last question sould i replace with a factory unit or is there something aftermarket out there that would be better for the price .factory unit is a bit pricey .and if i go factory is ther a plug and play upgrage worth getting. thanks again
The new factory audio-HVAC module is very expensive. So, if it due to that part, a used one is probably cost/effective. We still don't know for sure that it is that part though.
There still is a chance it is due to a faulty power transistor (even though you replaced it) or wiring; instead of the audio-HVAC module.
Attached is the blower control electrical circuit diagram (with some notes I added). Ground G503 is located on the passenger side behind the glove compartment.
There still is a chance it is due to a faulty power transistor (even though you replaced it) or wiring; instead of the audio-HVAC module.
Attached is the blower control electrical circuit diagram (with some notes I added). Ground G503 is located on the passenger side behind the glove compartment.
Thread
Thread Starter
Forum
Replies
Last Post
Honda Man For Life
General Tech Help
4
Apr 9, 2012 09:38 AM



