1990 two door honda Stile unknow
any way hi all i got this honda for $ 200.00 its got some bugs to work out for starters the turn signal just stop working fuse is good but which one is the flasher relay second is the trany wines out in frist gear even if i take my foot out and let it catch second. next is oil spitting up on hood from timing chain only happin when its running 75-85 MPH yea this thing gets up and moves and i plan to fix it up need to get it smog by next week but it have a sputer in it like one of the plug are grounding out but cant find it... i'll check the photo gall see if theres one like it thank you for any and all in put's frank's two door 1990 honda
welcome here.
If you have a specific questions feel free to make a post in the GENERAL TECH section of this forum.
Also use the ENTER key at the end of each sentence or 2, it makes it much easier for us to follow what you are saying.
$200 is quite a good deal, you could drive that car to the scrap yard and get around $350 for it.
If the car is not running well driving it hard is not likely a good idea.
If you have a specific questions feel free to make a post in the GENERAL TECH section of this forum.
Also use the ENTER key at the end of each sentence or 2, it makes it much easier for us to follow what you are saying.
$200 is quite a good deal, you could drive that car to the scrap yard and get around $350 for it.
If the car is not running well driving it hard is not likely a good idea.
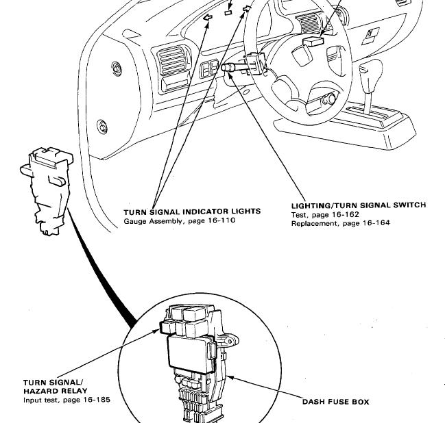
1) for starters the turn signal just stop working fuse is good but which one is the flasher relay
2) second is the trany wines out in frist gear even if i take my foot out and let it catch second.
3)next is oil spitting up on hood from timing chain only happin when its running 75-85 MPH yea this thing gets up and moves and i plan to fix it up
4) need to get it smog by next week but it have a sputer in it like one of the plug are grounding out but cant find it...
2) second is the trany wines out in frist gear even if i take my foot out and let it catch second.
3)next is oil spitting up on hood from timing chain only happin when its running 75-85 MPH yea this thing gets up and moves and i plan to fix it up
4) need to get it smog by next week but it have a sputer in it like one of the plug are grounding out but cant find it...
2) Sorry, not relly following this one?
3) Sounds like it could be a valve cover gasket or seal. Got any pic's or a better decription of where the leak is...are you sure it is oil, or could it be ps fluid?
4) If you just got the car and have no records. I'd start with a tune up and change of the other fluids (brake, MT fluid, ect).
Please add your car info to your signature and then show your signature....that way you never forget to tell us what you have.
Thanks for joining.
Thread
Thread Starter
Forum
Replies
Last Post
ProAutoGlassllc
PRIVATE For Sale / Trade Classifieds
1
May 21, 2013 12:45 AM
louiricc
General Tech Help
2
Mar 19, 2013 05:49 PM
hatzipri
PRIVATE For Sale / Trade Classifieds
1
Nov 29, 2008 10:05 PM




