1995 Honda Accord EX: ABS Cover
Hello all. Have a 95 Accord Ex, pushing 350 thou on the odometer and trying to head off an issue.
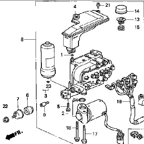
The ABS cover, the plastic top that you fill the ABS reservoir with, is starting to dry rot. It isn't too bad yet, but I can see where it will be an issue within some time. Any ideas or opinions?
Just this year did the timing belt, all new hoses and such, and car looks and runs fine now. Just wondering if this a locatable part, or am I going to have to purchase a whole new reservoir? Thanks.
The ABS cover, the plastic top that you fill the ABS reservoir with, is starting to dry rot. It isn't too bad yet, but I can see where it will be an issue within some time. Any ideas or opinions?
Just this year did the timing belt, all new hoses and such, and car looks and runs fine now. Just wondering if this a locatable part, or am I going to have to purchase a whole new reservoir? Thanks.
The abs reservoir is easily replaced. I don't know if it's an available Honda part, but there are many good used parts available.
The reservoir may only be replaceable after removing the modulator. I removed mine w/ modulator off, so don't know if it can be done in place. Removal of modulator is a 15-min job.
For a used part, you will likely have to buy the modulator to get the reservoir, but modulators are readily available for $25-$50. Check ebay and car-part.com for parts.
good luck
The reservoir may only be replaceable after removing the modulator. I removed mine w/ modulator off, so don't know if it can be done in place. Removal of modulator is a 15-min job.
For a used part, you will likely have to buy the modulator to get the reservoir, but modulators are readily available for $25-$50. Check ebay and car-part.com for parts.
good luck
Last edited by TexasHonda; May 12, 2012 at 07:48 AM.
Thread
Thread Starter
Forum
Replies
Last Post
nitishnaharas
General Tech Help
4
Jan 20, 2014 06:57 PM
93Accord2.2
General Tech Help
3
Nov 7, 2013 07:10 AM




