94 Honda Accord manual transmission sloppy lose shifter>>help!
I just bought my first Accord, have had civics and integras mostly....
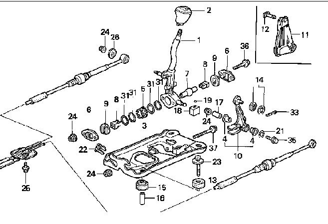
My issue is when either in the neutral position or while in gear the shifter has a lot of play side to side...I know on the civics there are plastic bushings or whatever to replace to fix this issue, but after hrs of looking and not finding any for my car I'm assuming there is a different set up?
I was also hoping to maybe get a "short throw shifter" for it and hoping that would also include with it the part that is causing the play I am getting?
I want to get this issue fixed before it causes damage to whatever else...please and thank you....
My issue is when either in the neutral position or while in gear the shifter has a lot of play side to side...I know on the civics there are plastic bushings or whatever to replace to fix this issue, but after hrs of looking and not finding any for my car I'm assuming there is a different set up?
I was also hoping to maybe get a "short throw shifter" for it and hoping that would also include with it the part that is causing the play I am getting?
I want to get this issue fixed before it causes damage to whatever else...please and thank you....
Thread
Thread Starter
Forum
Replies
Last Post
fondahonda
General Tech Help
3
Dec 14, 2011 06:21 PM
wforbush
Engine & Internal
0
Jun 28, 2005 02:00 AM




