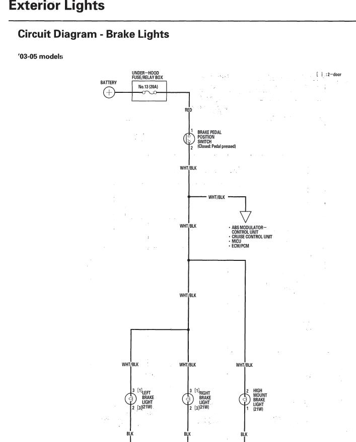
Brake lights do not work, but they light up
My grandpa drives a 2004 Honda Accord V6 EX.
After an accidental battery drain, we used jumper cables to bring it back up and running.
(1) But the brake lights do not light up, save the rear windshield and spoiler lights. -- resolved by unplugging & replugging brake light bulbs
If it helps, here are additional issues that arose simultaneously:
(2) Stereo and clock locked up. -- resolved by entering security code
(3) The remote engine starter (third party installation) no longer works.
After an accidental battery drain, we used jumper cables to bring it back up and running.
(1) But the brake lights do not light up, save the rear windshield and spoiler lights. -- resolved by unplugging & replugging brake light bulbs
If it helps, here are additional issues that arose simultaneously:
(2) Stereo and clock locked up. -- resolved by entering security code
(3) The remote engine starter (third party installation) no longer works.
Last edited by averagespectrum; Mar 3, 2012 at 11:56 PM. Reason: Problem Solved
So...
The center stop light probably uses a different ground than the other brake lights? I'm not sure if the parking light share a ground with the brake lights, but look for an open ground.
Do you get a warning lamp about "brake lights"? If not, then maybe the circuit is open after the point where the center lamp splits off.
The center stop light probably uses a different ground than the other brake lights? I'm not sure if the parking light share a ground with the brake lights, but look for an open ground.
Do you get a warning lamp about "brake lights"? If not, then maybe the circuit is open after the point where the center lamp splits off.
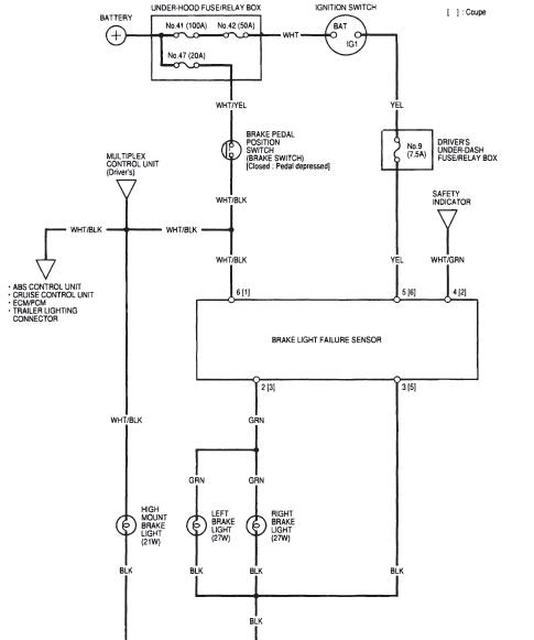
The 7th-gen has a lot more stuff done with CAN-bus rather than discreet circuits, but I don't know about the brake lamps. I sold that Helm book after I sold the 03 Accord. But it sure seems worthwhile to check the fuses.
Thank you guys for your help.
And there are no warning lamps for the brake lights.
I'm not an electrician or an expert on circuits, so I'll find a buddy to take a look at this. I'll make an update once something develops.
Again, thank you.
And there are no warning lamps for the brake lights.
I'm not an electrician or an expert on circuits, so I'll find a buddy to take a look at this. I'll make an update once something develops.
Again, thank you.
Thread
Thread Starter
Forum
Replies
Last Post
PJ_STYLES_95AccordEx
General Tech Help
13
Jun 7, 2011 05:40 PM
wize_n
General Tech Help
1
Oct 10, 2008 06:49 AM
6genex
New Member Area
3
Sep 16, 2007 11:58 PM




