check engine light
As the accelerator pedal position changes, the sensor varies the signal voltage to the ECM/PCM. Check the connector first.
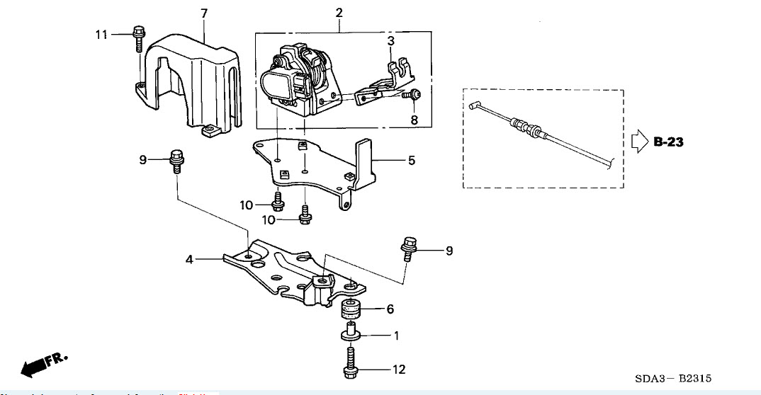
See this thread for a diagram showing location of the APP sensor on a V6. I believe for a 2007 Accord, the location is similar for 4 and 6 cylinders.
https://www.hondaaccordforum.com/for...-issues-37602/
The APP sensor is Honda part number 37971-RCA-A01. It looks like its the same part for 4 and 6 cylinders for 2007 Accords.
2006 - 2007 4 cylinder Accords had drive-by-wire and Honda included the APP sensor.
2003 - 2007 V6 Accords had drive-by-wire and the APP sensor.
Earlier 7th generation Accords 4 cylinders (2003 - 2005) didn't have drive-by-wire and didn't appear to have the APP sensor.
2006 - 2007 4 cylinder Accords had drive-by-wire and Honda included the APP sensor.
2003 - 2007 V6 Accords had drive-by-wire and the APP sensor.
Earlier 7th generation Accords 4 cylinders (2003 - 2005) didn't have drive-by-wire and didn't appear to have the APP sensor.
Thread
Thread Starter
Forum
Replies
Last Post
78gaw
General Tech Help
11
Jan 20, 2010 09:45 AM
ddold@gkschools.org
General Tech Help
6
Jan 29, 2008 03:35 PM
PAY1920
General Tech Help
4
Jul 1, 2007 09:58 PM




