Need HELP quick please
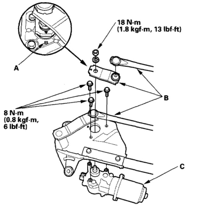
So I have a 2005 accordv6 and the plastic part on the wiper transmission arm broke. I had to replace the whole arm for one plastic part. Now that its replaced the blades work fine but for some reason they stop in the middle of the windshield. They go all the way down and up when in use though.
Please help
Please help
Thread
Thread Starter
Forum
Replies
Last Post
cenkaetaya
General Tech Help
9
Jul 16, 2006 08:56 PM



