87 accord no spark
Hondadude......Nice to see you.
Plus if it is a carb it will be real hard to find and replace.
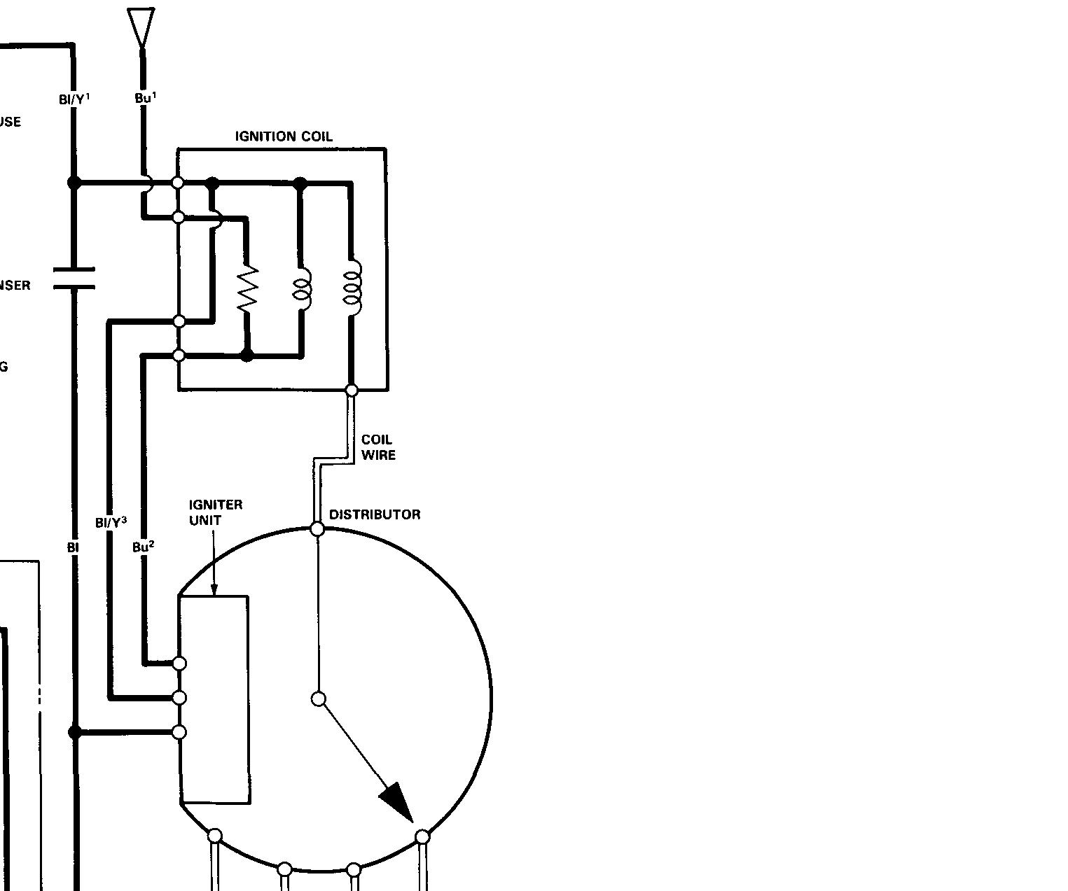
EDIT: To the OP-first don't take any of this the wrong way. People are really trying to help. The attached should give you an idea of the inputs/outputs. Also check the DIY section for a manual you can download-exactly where this came from.
Plus if it is a carb it will be real hard to find and replace.
EDIT: To the OP-first don't take any of this the wrong way. People are really trying to help. The attached should give you an idea of the inputs/outputs. Also check the DIY section for a manual you can download-exactly where this came from.
Last edited by poorman212; Apr 17, 2011 at 11:52 AM.
Thanks for the responses!! Yea.. after about an hour of looking for the main relay.. I changed focus.. It has a carburetor not fuel injected.. Kinda figured that it must not have a main relay..
We have a second coil that has been hooked up and she still did not fire.. I'm assuming one of them it good.. Getting 12v at the coil and fuel pump comes on then shuts of properly.. Tried checking for a pulse with a test light on the thicker blue wire from distributor to coil.. No pulse. Rotor inside the distributor is spinning.. Tach does not move when the engine cranks over. Pretty sure it's something with the ignitor or pickup sensor. Not sure what else to check or how to replace stuff inside the distributor. Any more comments are helpful!! Thanks!!!
We have a second coil that has been hooked up and she still did not fire.. I'm assuming one of them it good.. Getting 12v at the coil and fuel pump comes on then shuts of properly.. Tried checking for a pulse with a test light on the thicker blue wire from distributor to coil.. No pulse. Rotor inside the distributor is spinning.. Tach does not move when the engine cranks over. Pretty sure it's something with the ignitor or pickup sensor. Not sure what else to check or how to replace stuff inside the distributor. Any more comments are helpful!! Thanks!!!
So I looked around for you

It is held down by 2 screws and a 2 wires clip to the top
Before spending $100 to replace do this
Turn car to on
check for +12 on one of those wires connected to the module
If you find +12 on one of them you need to spend the $103 for this part.
if you do not find +12 on one of the wires then you have an electrical problem somewhere.
report back your findings
It is held down by 2 screws and a 2 wires clip to the top
Before spending $100 to replace do this
Turn car to on
check for +12 on one of those wires connected to the module
If you find +12 on one of them you need to spend the $103 for this part.
if you do not find +12 on one of the wires then you have an electrical problem somewhere.
report back your findings
Last edited by crispin; Apr 18, 2011 at 02:26 PM. Reason: ADDED CONTENT
That is one of the two offered on that/this gen. There are two types of OE distributors used. The second type is mounted on the outside of the dist, tectangale thing under a silver cover.
There are testing procedures for these, though you have part of it covered already.
There is an ECU under the drivers seat, you can check for codes-open the little window from the rear, turn key to ON - Pos II and count flashes...but that is only for future reference.
There are testing procedures for these, though you have part of it covered already.
There is an ECU under the drivers seat, you can check for codes-open the little window from the rear, turn key to ON - Pos II and count flashes...but that is only for future reference.
Thread
Thread Starter
Forum
Replies
Last Post
SeanAccord
General Tech Help
2
May 18, 2010 08:24 PM




